- Simple structure
- Low cost
- High reliability
Electroplating power supplies are crucial electrical equipment in the surface finishing industry. Due to their high operating power and long operating hours, their impact on the power grid is significant.
Traditional electroplating power supplies often generate a large amount of harmonic currents during the AC to DC conversion process, severely affecting the power supply system and related equipment.
With the continuous improvement of industrial automation, electroplating production lines have placed higher demands on power quality.
Therefore, how to effectively control and mitigate the harmonics generated by electroplating power supplies has become an important issue in enterprise power quality management.

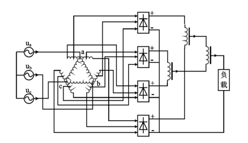
Common structures in multi-pulse rectification systems include:
Taking a 24-pulse rectification system as an example, the phase-shifting autotransformer generates multiple sets of three-phase voltages with specific phase differences (typically **15° phase difference**).
These voltages are respectively supplied to multiple rectifier bridges for rectification.
The harmonic currents generated by different rectifier bridges, due to their different phases, cancel each other out when superimposed on the primary side of the transformer using magnetomotive force.For example:
These lower harmonics are significantly weakened within the system, and what ultimately enters the power grid are mainly higher harmonics with smaller amplitudes (such as the 23rd and 25th harmonics), thereby greatly reducing the total harmonic distortion rate of the system.




Harmonics generated by electroplating power supplies mainly originate from the rectification stage and are a significant factor affecting industrial power quality.
By employing **multi-pulse rectification technology and a phase-shifting autotransformer**, active harmonic suppression can be achieved on the power supply side.
Harmonics generated by different rectifier bridges cancel each other out within the system, significantly reducing the harmonic current entering the power grid.
This solution offers the following advantages:
Therefore, in high-power DC power supply applications such as electroplating, electrolysis, and metallurgy, the **phase-shifting autotransformer multi-pulse rectification solution** has become an important technological path for improving power quality and achieving green production.